首頁
關于我們
產品展示
用戶現場
新聞資訊
下載中心
質量中心
聯系我們
微信掃一掃
銷售熱線
021- 51082626
周一至周六8:00~18:00
技術支持
021- 51028085
24小時節假日不休
產品系列
PRODUCT LIST
控制閥門系列
氣動調節閥
氣動球閥
氣動蝶閥
氣動閥門
自力式調節閥
電動調節閥
電動球閥
電動蝶閥
電動閥門
電站專用調節閥
電磁閥
流量儀表系列
手動閥門系列
球閥
蝶閥
閘閥
截止閥
止回閥
減壓閥
過濾器
隔膜泵系列
氣動隔膜泵
電動隔膜泵
隔膜泵配件
不銹鋼旋啟式止回閥系列
下一條:
HQ44X微阻球形止回閥
上一條:
不銹鋼降式止回閥系列
產品概況
應用案例
產品概述
性能范圍
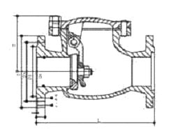
主要連接尺寸和外形尺寸
產品概述
技術參數
安裝示意圖
現場案例
111
產品概述
性能范圍
主要連接尺寸和外形尺寸
聲明:
本文中所有文字、數據、圖片均只適用于參考,性能參數、結構尺寸參數、液動蝶閥價格等詳情,請聯系我們,電話:021-59170722!